Торгове обладнання в Києві
Холодильное оборудование – проектирование предприятий торговли в Києві
Мы предоставляем своим заказчикам следующие услуги по проектированию предприятий торговли (супермаркеты, минимаркеты, склады, торговые павильоны, холодильные камеры и т.д):
- Консультация и анализ проектов для выработки оптимальных технико-экономических характеристик проекта;
- Выезд специалиста для оценки конструктивных возможностей здания/помещения;
- Помощь в формировании технического задания на проектирование;
- Расчет теплопритоков к холодильным камерам;
- Расчет и подбор центральной холодильной системы и теплообменного оборудования с его расстановкой;
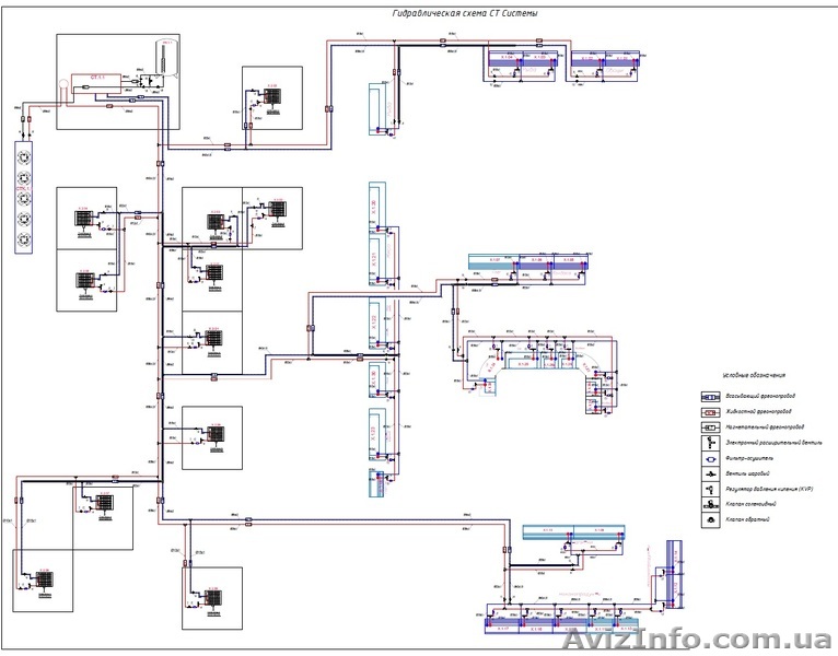
- Проектирование гидравлической схемы фреонопровода;
- Оформление чертежей в электронном виде, создание объемно - планировочных решений, пояснительная записка ;
- Формирование спецификации оборудования с указанием технических характеристик
- Разработка монтажных планов точек подвода коммуникаций (воды и канализации, электричества, и т. д.);
- Подготовка проектной документации
Дії з оголошенням #1376183
Поділіться з друзями і знайомими
Поділіться оголошенням Холодильное оборудование – проектирование предприятий торговли з друзями, знайомими, потенційними клієнтами, використовуйте для цього соціальні мережі, месенджери. Це додасть оголошенню популярності і ефект багаторазово підвищиться.
Збережіть або повідомте про порушення
Ярослав Александр
- На сайті з: 24.02.2016
- Активність: 24.02.2016
Поради з безпеки
- Познайомтеся з продавцем в публічному місці
- Перевірте товар перед покупкою
- Сплачуйте лише після того як переконаєтеся, що товар відповідає опису і вашим вимогам
- Бажано провести операцію при свідках
Інші оголошення від
Ярослав Александр
QR-код сторінки
Поділіться QR-кодом в соціальних мережах, чатах, месенджерах щоб ваші знайомі, потенційні клієнти відкрили ваше оголошення на своїх смартфонах.
Казахстан
Україна
Узбекистан
Молдова